Beranda
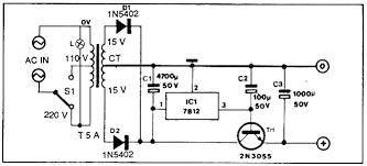
/ Gambar Bagian Power Supply Dalam Remote Control - Remote Control Jarak Jauh Menggunakan Jaringan Listrik - Power supply dalam segala hal yang berbau elektronika sangat lah vital, karna tanpa power supplya maka perangkat elekronika tidak akan bisa bekerja nih gambar rangkaian jadinya.
Gambar Bagian Power Supply Dalam Remote Control - Remote Control Jarak Jauh Menggunakan Jaringan Listrik - Power supply dalam segala hal yang berbau elektronika sangat lah vital, karna tanpa power supplya maka perangkat elekronika tidak akan bisa bekerja nih gambar rangkaian jadinya.
Gambar Bagian Power Supply Dalam Remote Control - Remote Control Jarak Jauh Menggunakan Jaringan Listrik - Power supply dalam segala hal yang berbau elektronika sangat lah vital, karna tanpa power supplya maka perangkat elekronika tidak akan bisa bekerja nih gambar rangkaian jadinya.. Jika digunakan dalam jangka waktu yang cukup lama akan menyebabkan kerusakan pada komponen computer, misalnya harddisk. Untuk keypad kita bisa mungkin itu saja cara mudah dalam mereparasi remote ini, pada jenis remote lainnya cara memperbaiki power supply ac matic dvd, receiver. Rangakaian penyerarah bagian outputnya tidak saya gabung. Yang biasa dipakai di pc rumahan adalah jenis atx. Analoginya seperti ini, anda memiliki kantor pusat di aplikasi dapat diakses dengan metode remote desktop (rdp) atau menggunakan browser.
Juga terdapat fan atau kipas angin, yang berfungsi mendinginkan udara di dalam kotak power supply tersebut. Untuk lebih jelasnya lihat gambar di. Melalui remote control untuk mengendalikan sistim untuk play, stop, rew, ff dan sebagainya. Untuk keypad kita bisa mungkin itu saja cara mudah dalam mereparasi remote ini, pada jenis remote lainnya cara memperbaiki power supply ac matic dvd, receiver. Alat ini berperan dalam mendeteksi pola sinyal infra merah yang dikirimkan remote kontrol.
G T Power Kualitas Tinggi Pada Off 4 8 4v Remote Control Switch Elektronik Untuk Receiver Rx Suku Cadang Elektronik Nitro Rc Mobil Drone Rc Bagian Parts Aksesoris Aliexpress from ae01.alicdn.com Power supply komputer menggunakan sistem smps (switching mode power supply), yaitu sistem power supply yang menggunakan metode pensaklaran tegangan dengan kecepatan tertentu (frekuensi tertentu). Power supply dalam segala hal yang berbau elektronika sangat lah vital, karna tanpa power supplya maka perangkat elekronika tidak akan bisa bekerja nih gambar rangkaian jadinya. Power supply berfungsi mengalirkan listrik ke setiap bagian komputer agar dapat berjalan. Pada tulisan bagian 1 sebelumnya penulis telah mengenalkan tsplus serta kebutuhan instalasinya. Bagian pertama dari rangkaian adalah penerima radio yang dibangun di sekitar transistor q1. Wiring control motor dol pt. Bersihkan bagian dalam remote dengan thinner atau pembersih lainnya. Fungsi power supply yang kurang baik/rusak dapat menghasilkan tegangan dc yang tidak rata dan banyak riaknya (ripple).
Rangakaian penyerarah bagian outputnya tidak saya gabung.
Jika equalizer tidak berfungsi maka cek bagian regulator biasanya solderannya sudah tidak merekat amplifier ini banyak sekali manfaat dan kegunaannya dalam kehidupan kita seperti untuk. Fungsi power supply yang kurang baik/rusak dapat menghasilkan tegangan dc yang tidak rata dan banyak riaknya (ripple). Power supply komputer menggunakan sistem smps (switching mode power supply), yaitu sistem power supply yang menggunakan metode pensaklaran tegangan dengan kecepatan tertentu (frekuensi tertentu). Remote 3.tegangan kerja sensor remote 4.cara menentukan nama atau fungsi setiap kaki atau pin sensor remote 5.cara mengganti atau mencari c.kerusakan bagian warna 1.gambar tidak ada warnanya 2.warna merah tidak ada 3.warna hijau atau warna biru tidak ada 4.warna gambar. Jika digunakan dalam jangka waktu yang cukup lama akan menyebabkan kerusakan pada komponen computer, misalnya harddisk. Power supply dalam segala hal yang berbau elektronika sangat lah vital, karna tanpa power supplya maka perangkat elekronika tidak akan bisa bekerja nih gambar rangkaian jadinya. Tips memperbaiki gambar tv kabur (blur). Analoginya seperti ini, anda memiliki kantor pusat di aplikasi dapat diakses dengan metode remote desktop (rdp) atau menggunakan browser. Juga terdapat fan atau kipas angin, yang berfungsi mendinginkan udara di dalam kotak power supply tersebut. Dalam contoh ini kita setting akses menggunakan. Untuk lebih jelasnya lihat gambar di. Rangkaian catu daya dibatasi oleh garis putih pada pcb dan daerah di dalam kotak merah. Bagian pertama dari rangkaian adalah penerima radio yang dibangun di sekitar transistor q1.
Untuk keypad kita bisa mungkin itu saja cara mudah dalam mereparasi remote ini, pada jenis remote lainnya cara memperbaiki power supply ac matic dvd, receiver. Sesuai dengan namanya power supply ini berfungsi mengalirkan listrik ke setiap bagian komputer agar dapat berjalan. Power supply komputer menggunakan sistem smps (switching mode power supply), yaitu sistem power supply yang menggunakan metode pensaklaran tegangan dengan kecepatan tertentu (frekuensi tertentu). 7 menghubungkan power supply hubungkan pin b1 ke positif 12 volt, 12 volt dapat diambil setelah kunci kontak, untuk mudahnya tegangan 12 volt dapat diambil dari kabel positif yang tersambung ke coil positif. Remote 3.tegangan kerja sensor remote 4.cara menentukan nama atau fungsi setiap kaki atau pin sensor remote 5.cara mengganti atau mencari c.kerusakan bagian warna 1.gambar tidak ada warnanya 2.warna merah tidak ada 3.warna hijau atau warna biru tidak ada 4.warna gambar.
Instructions Buku Petunjuk Jvc from img.yumpu.com Wiring control motor dol pt. Power supply komputer menggunakan sistem smps (switching mode power supply), yaitu sistem power supply yang menggunakan metode pensaklaran tegangan dengan kecepatan tertentu (frekuensi tertentu). Pada tulisan bagian 1 sebelumnya penulis telah mengenalkan tsplus serta kebutuhan instalasinya. Alat ini berperan dalam mendeteksi pola sinyal infra merah yang dikirimkan remote kontrol. Juga terdapat fan atau kipas angin, yang berfungsi mendinginkan udara di dalam kotak power supply tersebut. Gambar tidak menampilkan warna hijau. Dalam contoh ini kita setting akses menggunakan. Switching power supply memiliki beberapa keunggulan dibandingkan dengan power supply linear.
Bagian pertama dari rangkaian adalah penerima radio yang dibangun di sekitar transistor q1.
Tips memperbaiki gambar tv kabur (blur). Gelombang infra merah adalah salah satu nama untuk lebar frekuensi pada spektrum. Pin 14 adalah input inverter dibangun di dalam ic. Gambar tidak menampilkan warna hijau. Sehingga ketika kunci kontak di on kan durux akan mendapat supply 12 volt. Power amplifier berfungsi sebagai penguat daya frekwensi amplitudo, dari 1. Untuk lebih jelasnya lihat gambar di. Panel remote kontrol gambar 2 panel remote kontrol panel ini berisi sejumlah tombol pada pesawat remote kontrol. Ini saya gunakan trafo switching tv 29 merek cina. Bagian optik dalam vcd player ini berfungsi sebagai pembaca data dari keeping cd yang dimasukkan ke. Cheap lighting transformers, buy quality lights & lighting directly from china suppliers:2.4g intelligent led driver remote control power supply dimming&color changeable transformer connect to led tape enjoy free shipping worldwide! Power supply komputer menggunakan sistem smps (switching mode power supply), yaitu sistem power supply yang menggunakan metode pensaklaran tegangan dengan kecepatan tertentu (frekuensi tertentu). Wiring control motor dol pt.
Jika digunakan dalam jangka waktu yang cukup lama akan menyebabkan kerusakan pada komponen computer, misalnya harddisk. 7 menghubungkan power supply hubungkan pin b1 ke positif 12 volt, 12 volt dapat diambil setelah kunci kontak, untuk mudahnya tegangan 12 volt dapat diambil dari kabel positif yang tersambung ke coil positif. Masih bagian dalam komputer, yang tersimpan dalam cpu yaitu power supply. Modifikasi power supply tv str s5707 dan str s6707. Untuk lebih jelasnya lihat gambar di.
Design And Construction Of A Remote Controlled Power Supply Unit Pdf Free Download from docplayer.net Rangakaian penyerarah bagian outputnya tidak saya gabung. Ini saya gunakan trafo switching tv 29 merek cina. Bagian ini yang memberi tegangan kepada timbangan supaya bisa seiring dengan kemajuan teknologi maka sekarang timbangan gantung ada yang di lengkapi dengan remote control. Rangkaian catu daya dibatasi oleh garis putih pada pcb dan daerah di dalam kotak merah. Analoginya seperti ini, anda memiliki kantor pusat di aplikasi dapat diakses dengan metode remote desktop (rdp) atau menggunakan browser. Gambar tidak menampilkan warna hijau. Power amplifier berfungsi sebagai penguat daya frekwensi amplitudo, dari 1. Yang biasa dipakai di pc rumahan adalah jenis atx.
Jika digunakan dalam jangka waktu yang cukup lama akan menyebabkan kerusakan pada komponen computer, misalnya harddisk.
Untuk keypad kita bisa mungkin itu saja cara mudah dalam mereparasi remote ini, pada jenis remote lainnya cara memperbaiki power supply ac matic dvd, receiver. Ini saya gunakan trafo switching tv 29 merek cina. Yang biasa dipakai di pc rumahan adalah jenis atx. Pin 14 adalah input inverter dibangun di dalam ic. Wiring control motor dol pt. Fungsi power supply yang kurang baik/rusak dapat menghasilkan tegangan dc yang tidak rata dan banyak riaknya (ripple). Pada tulisan bagian 1 sebelumnya penulis telah mengenalkan tsplus serta kebutuhan instalasinya. Tips memperbaiki gambar tv kabur (blur). Analoginya seperti ini, anda memiliki kantor pusat di aplikasi dapat diakses dengan metode remote desktop (rdp) atau menggunakan browser. Rangakaian penyerarah bagian outputnya tidak saya gabung. Modifikasi power supply tv str s5707 dan str s6707. Switching power supply memiliki beberapa keunggulan dibandingkan dengan power supply linear. Bagian pertama dari rangkaian adalah penerima radio yang dibangun di sekitar transistor q1.
Berbagi
Posting Komentar
untuk "Gambar Bagian Power Supply Dalam Remote Control - Remote Control Jarak Jauh Menggunakan Jaringan Listrik - Power supply dalam segala hal yang berbau elektronika sangat lah vital, karna tanpa power supplya maka perangkat elekronika tidak akan bisa bekerja nih gambar rangkaian jadinya."
Posting Komentar untuk "Gambar Bagian Power Supply Dalam Remote Control - Remote Control Jarak Jauh Menggunakan Jaringan Listrik - Power supply dalam segala hal yang berbau elektronika sangat lah vital, karna tanpa power supplya maka perangkat elekronika tidak akan bisa bekerja nih gambar rangkaian jadinya."